ICS 29.240 K 45
GB/T 34125—2017
GeneraI SPeCifiCatiOn for OUtdOOr Cabinet With relaying PrOteCtiOn and SeCUrity automatic equipment Of POWer SyStem
2017-07-31 发布
2018-02-01 实施
中华人民共和国国家质量监督检验检疫总局岩布 亠En家标准化管理委员会发布
Ill
学兔兔 www.bzfxw.com
本标准按照GB/T 1.1—2009给岀的规则起草。
请注意本文件的某些内容可能涉及专利.本文件的发布机构不承担识别这些专利的责任°
本标准由中国电力企业联合会提出并归口。
本标准起草单位:北京四方继保自动化股份有限公司,华北电力调度控制分中心,南京南瑞继保电 气有限公司■浙江电力调度控制中心、广州供电局有限公司、许继电气股份有限公司、国网电力科学研究 院、国电南京自动化股份有限公司,上海电力设计院、中国电力科学研究院,
本标准主要起草人:孟辉、孙集伟,姜健宁、段勇刚、尹树添,朱云霄、张链、田茜、张开国、矣舊、尹东海、 李超群、周春霞,钱建国、梁耀彬、陶月明、严华。
Ul
学兔兔 www.bzfxw.com
1范围
本标准规定了电力系统继电保护及安全自动装置户外柜的通用技术要求、试验方法、检验规则■标 志■包装、运输和贮存的要求。
本标准适用于电力系统中使用的继电保护及安全自动装置户外柜和安装智能终端、合并単元的控 制柜(以下简称户外柜九
2规范性引用文件
下列文件对于本文件的应用是必不可少的。凡是注日期的引用文件,仅注日期的版本适用于本文 件。凡是不注日期的引用文件,其最新版本(包括所有的修改单)适用于本文件⑥
GB/T191包装储运图示标志
GB/T 2423.1电工电子产品环境试验 第2部分:试验方法 试验A:低温
GB/T 242117电工电子产品环境试验 第2部分:试验方法 试验Ka:盐雾
GB/T 2423.24环境试验 第2部分「试验方法 试验Sa:模拟地面上的太阳辐射及其试验导则
GB/T 2900.1—2008 电工术语 基本术语
GB/T 3181—2008 漆膜颜色标准
GB/T 4208—2008外壳防护等级。P代码)
GB/T 4797.1—2005电工电子产品自然环境条件温度和湿度
GB/T 4798.4电工电子产品应用环境条件 第4部分:无气候防护场所固定使用
GB/T 5095.2电子设备用机电元件 基本试验规程及测量方法 第2部分:一般检査,电连续 性,接触电阻测试,绝缘试验和电压应力试验
GB/T 5169.16- 2008电工电子产品着火危险试验 第16部分,试验火焰50 W水平与垂直火 焰试验方法
GB/T 7261继电保护和安全自动装置基本试验方法
GB/T 8332-2008泡沫塑料燃烧性能试验方法水平燃烧法
GB/T 8582—2008电工电子设备机械结构术语
GB 8624-2012建筑材料及制品燃烧性能分级
GB/T 9286—1998色漆和清漆漆膜的划格试验
GB/T 9761—2008 色漆G清漆 色漆的目视比色
GB/T 11804-2005 电工电子产品环境条件术语
GB 12348—2008工业企业厂界环境噪声排放标准
GB/T 13384机电产品包装通用技术条件
GB/T 14598.26-2015量度继电器和保护装置第26部分,电磁兼容要求
GB/T 14598.27量度继电器和保护装置 第27部分】产品安全要求
GB/T 34125—2017
GB/T 17742-2008中国地震烈度表
GB/T 18663.1-2008电子设备机械结构 公制系列和英制系列的试验 第1部分:机柜、机架、 插箱和机箱的气候,机械试验及安全要求
GB/T 18663.2—2007电子设备机械结构 公制系列和英制系列的试验 第2部分:机柜和机架 的地震试验
GB/T 18663,3-2007电子设备机械结构 公制系列和英制系列的试验 第3部分t机柜、机架 和插箱的电磁屏蔽性能试验
GB/T 1929Ot3发展中的电子设备构体机械结构模数序列第2-1部分】分规范25 mm设备构 体的接口协调尺寸 详细规范 机柜和机架的尺寸
GB/T 19520.16 电子设备机械结构 482*6 mm(19 in)系列机械结构尺寸 第3-100部分:面板、 插箱、机箱、机架和机柜的基本尺寸
GB/T 20138—2006电器设备外壳对外界机械碰撞的防护等级(IK代码)
GB 21556-2008锁具安全通用技术条件
GB/T 26443安全色和安全标志安全标志的分类、性能和耐久性
GB/T 31841电工电子设备机械结构 电磁屏蔽和静电放电防护设计指南
DL/T 720-2013电力系统继电保护及安全自动装置柜(屏〉通用技术条件
IEC 61969-3520il 电子设备机械结构 户外外壳 第3部分:环境、试验和安全要求(MCChaniCaL StrUCtUreS for CleCtrOniC equipment一OUtdOOr enclosures一Part 3: EnVirOnnIental requirements,tests and Safety aspects)
3术语和定义
GB/T 29OCU—2008,GB/T 8582—2008和GB/T 11804- -2005界定的以及下列术语和定义适用 于本文件。
3.1
机柜 cabinet
用于容纳电气或电子设备的独立式或自支撑的机壳,通常配置门和侧板•
3.2
户外机柜 OUtdoOr Cabinet
使用在户外无气候防护场所的机柜。
33
电力系统堆电保护及安全自动装置户外柜 OUtdOOr CabInet With relaying PrOteCtiOn and SeCUrity automatic equipment Of POWer SyStein
由户外机柜和安装在其中的继电保护装置■安全自动装置及其配套设备和辅助元器件组合而成的, 能够在户外无气候防护场所使用的,实现电力系统特定功能的设备组合.
3.4
气温 air temperature
表示大气冷热程度的物理SL 一般为在距地面2 m高处无阳光直接辐射的情况下,在百页箱内测 得的空气温度.
[GB/T 20625—2006,定义 2.14]
3∙5
外部环境温度 external environment temperature
当设备达到温度稳定后,距设备各主要表面几何中心75 mm处,空气温度的面积加权平均值口
[GB/T 14278—1993,定义 6.3]
3,6
气候类型 climate type
按照表征大气物理状态和物理现象的各种因素(例如气温、湿度、大气压力等),对气候条件的分类。
注:GB/T 4797,1—2005给出的我国气候类型划分为寒冷、寒温、暖温、干熟、亚湿热.湿⅞⅛六种.
3.7
温控设备 temperature COntroL equipment
向户外柜内部提供诸如空气循环,冷却,加热等温度和湿度调节,保证电气设备运行在适宜环境条 件下的设备,
注;温控设备通常指空调•热交换器■■其扇,加热器等.
4基本要求
4」环境条件
4.1」正常工作太气条件
户外柜的正常工作大气条件如下;
a) 气温:一40 C〜+ 45 Vt
b) 相对湿度s5½-100⅜f
C) 大气压力,8。kPa〜106 kPa(相当于海拔高度2 00。m以下》
注:当海拔高度超过2 000 m时,按制造厂与用户之间的协议设计和制造,
d) 太阳辐射强度:总辐射强度≤1 120 W∕mz ;
e) 最大日温差:25 K;
ʃ)最大风速〈7 m∕s(相当于风力12级儿
4丄2贮存、运输环境条件
户外柜的贮存和运输条件如下:
a) 贮存环境温度;一25 4C〜+ 55 'Cj
b) 运输环境温度、一 40 C〜+7。
4.1.3安装环境条件
对户外柜的安装环境条件要求如下:
a) 户外柜宜安装在通风散热条件良好的场所;
b) 安装场所应无易燃,易爆品的存在才
C)安装场所应无腐蚀、异电、破坏绝缘和表面涂覆层的介质,不允许有严重的霉菌存在;
d) 户外柜的安装基础或支座应牢固可靠,安装螺栓或焊接强度应满足抗震要求,抗震设防烈度按 GB/T 17742—2008 中的W度选取$
e) 安装于地面的户外柜宜采用承载负荷不小于8 kN∕ma混凝土基座,基座的长,宽尺寸宜各自
GB/T 34125—2017
超出户外柜外形尺寸50 mm■基座的基础平面至少应髙于历史最高积水水位100 mm;基座平 面的水平度偏差不应大于3‰l
f)安装场所应提供良好的电气接地条件.
4,1,4 特殊使用条件
户外柜的特殊使用条件(包括极端温度,暴雨、冰雹、雪灾■雷电•台风、大风、沙尘、地震等各种极端 气候条件,以及工业大气,盐雾等特殊环境条件),由供需双方协商并在供货合同中规定•
4.2电气参数要求
4.2.1交流回路
交流回路的參数如下:
a) 交流电压≡100∕√3 VaOO V;
b) 交流电流J A,5 Ai
C) 额定频率RO HZe
4.2.2 电源
电源的参数如下i
a) 宜流电源电压〃 10 V,220 V;
b) 交流电源电压320 V,
4.3结构形式
4 户外柜在结构形式上宜釆用双层柜体,也可以根据需要采用単层柜体。
4.3.2根据安装方式的不同户外柜可分为落地式(含架空平台式)和抱杆式.
4.4外观及一般要求
4.4.1户外柜的结构布局应简洁、合理、色彩协调、使用维护方便,符合人机工程学的要求&
4.4.2户外柜的表面应光滑平整,无明显的凸凹不平或机械划伤、擦伤,无裂纹、毛剌、锈蚀等缺陷,
4.4,3户外柜的焊缝应牢固可靠,外表面应打磨平整,无明显的未熔合、气孔、夹液等缺陷。
4.5 尺寸和形位公差要求
4.5.1外形尺寸
推荐的户外柜外形尺寸系列见图1和表Ie
3— 外挂的侧板,
4— 底座。
说明:
1— —顶盖;
2— -柜门,
图1外形尺寸
表1外形尺寸系列 单位为臺米
|
序号 |
___________________尺寸符号 | ||
|
H |
W |
D | |
|
1 |
600 |
600 700 800 900 1 000 1 200 1 400 1 600 1 800 |
400 500 600 700 800 900 1 000 1 200 |
|
2 |
800 | ||
|
3 |
900 | ||
|
4 |
1 000 | ||
|
5 |
1 200 | ||
|
6 |
1 400 | ||
|
7 |
1 600 | ||
|
8 |
1 800 | ||
|
9 |
2 000 | ||
|
10 |
2 200 | ||
|
注1:尺寸符号的意义: H—户外柜高度尺寸(不包括顶盖的尺寸 W——户外柜宽度尺寸(不包括外挂的侧板或侧门的厚度); D—户外柜深度尺寸(不包括外挂式门的厚度)。 注2:底座的高度尺寸推荐值为100 mm. 注3:落地式安装户外柜的H值不宜小于800 mm;抱杆式安装户外柜的H值不宜大于1 000 mmβ | |||
4.5.2外形尺寸及其公差
户外柜外形尺寸的极限偏差见表2o
表2外形尺寸的极限偏差 单位为毫米
|
基本尺寸 |
极限偏差 | ||
|
H |
W |
D | |
|
400 |
■ I ■ ■ |
—≡ |
±0.5 |
|
500 | |||
|
600 |
±1.0 |
0 -1.5 |
±1.0 |
|
700 | |||
|
800 | |||
|
900 | |||
|
1 000 | |||
|
1 200 | |||
|
1 400 |
±1.5 |
0 -2.0 |
— |
|
1 600 | |||
|
1 800 | |||
|
2 000 | |||
|
2 200 | |||
4.5.3形状和位置公差
对户外柜的形状和位置公差要求如下:
a) 户外柜高度方向的垂直度公差值不大于2.0 mm;
b) 户外柜面板的平面度公差值在任意每平方米内不大于1.5 mmO
4.5.4缝隙一致性
户外柜各结合处之间的缝隙应匀称,长度小于1 m的同一缝隙的宽度之差不应大于1.0 mm,长度 不小于1 m的同一缝隙的宽度之差不应大于1.5 mmO
4.5.5内部安装尺寸
对户外柜的内部安装尺寸要求如下:
a) 用于安装482.6 mm(19 in)系列插箱、机箱和面板的宽度尺寸,应符合GB/T 19520.16的规 定;用于安装米制系列插箱、机箱和面板的宽度尺寸,应符合GB/T 19290.3的规定;
b) 用于安装插箱、机箱和面板的高度方向上的步进孔尺寸,宜按44.45 mm(英制)或25 mm(米 制)标准系列化。
4.5.6 安装(地脚)尺寸
户外柜的地脚安装尺寸见图2β
30
e
注:W<1 000 mm时,地脚孔数量为W方向上外缘的4个;
W>l 000 mm时,地脚孔数最为6个.
图2地脚安装尺寸
4.6表面涂(镀)覆层和防护要求
4.6.1当户外柜的金属构件需要进行防腐蚀处理时,其涂覆或镀覆后的表面应完整、细致、均匀和平 滑,不允许有杂质、灰尘(粒)、开裂、划痕、气孔、气泡、起皱、流涎、斑点、结痛、漏涂、脱落、磨损等缺陷。
4.6.2户外柜涂覆层的颜色宜符合GB/T 3181-2008中表2规定的要求,颜色推荐采用中性色调。
4.6.3 同一户外柜或用于同一工程的户外柜,其涂覆层不应有明显的色差,色差不应低于 GB/T 9761-2008附录B规定的1级要求。
4.6.4户外柜的涂覆层不应有炫目、反光等现象存在,宜选用亚光涂料。
4.6.5户外柜涂覆层的附着力不应低于GB/T 9286—1998中表1规定的1级要求。
4.6.6户外柜的涂覆层应具有良好的抗日晒和抗气候能力,应能够承受IEC 61969-3:2011中5.4规定 的抗化学活性物质试验。
4.6.7户外柜中采用电镀的零件,其镀层厚度及结合强度应符合相关电镀标准的规定。
4.7结构要求
4.7.1户外柜材料
对户外柜的材料要求如下:
a) 用于户外柜的金属材料可采用冷轧钢板、预镀钢板(例如电镀锌板、热浸锌板、镀铝锌板)、铝合 金板或奥氏体不锈钢板等。除了采用奥氏体不锈钢或某些阳极化的铝金属材料外,采用其他 材料制成的金属构件应采用电镀层或户外型涂料进行覆盖,以抵御大气腐蚀及电化学腐蚀。 在盐雾环境下使用时,户外型涂料的选择还应考虑盐雾的影响;
b) 用于户外柜的非金属材料应具有抵御腐蚀性介质的能力,外露的非金属材料应具有良好的抗 老化能力;
C)非金属材料应为自熄性材料,塑料材料的可燃性等级不应低于GB/T 5169.16-2008中规定 的V-I级要求,泡沫材料的可燃性等级不应低于GB/T 8332-2008中规定的HF-I级要求;
d)户外柜可使用保温材料进行隔热。保温隔热材料的导热系数宜小于0.05 W/m・K,其可燃性
等级不应低于GB 8624—2012中表1规定的Bl级要求。
4.7.2连接和紧固
对户外柜的连接和紧固要求如下:
a) 户外柜中的固定连接部位应牢固可靠,不应有松动现象;
b) 不允许采用无防松措施的螺纹连接作为结构和承载连接;
C)可拆卸的连接在拆卸后不应影响再装配的质量,且不应增加再装配的难度;
d) 对于既作连接又作导电用的零件(构成保护电路的连接件除外)应采用铜质材料;
e) 户外柜中的粘接连接应可靠,粘接件不应有脱落现象。
4.7.3可运动部件
户外柜的可运动部件应活动自如、可靠,不允许有影响运动性能的松动。在规定的运动范围内不应 与其他零件发生碰撞或摩擦等干涉现象。
4.7.4门和门限位装置
对户外柜的门和限位装置要求如下:
a) 户外柜的柜门开启、关闭应灵活自如、平稳可龍,开启角度不应小于IOOOJ
b) 柜门宜采用至少三点的锁紧方式,以确保锁紧可靠3
C)根据工程需求,柜门可采用左开门或右开门的形式;
d) 柜门应设置限位装置,门和限位装置经过重复开启/关闭操作后,限位功能应完好;
e) 柜门开启时,门、钗链和限位装置应能承受外加荷载0.6 kN、持续时间为30 min的试验,试验 后应无机械破坏或功能失效;
D 柜门的限位装置在限位状态下应能承受22 m∕s(相当于9级)的风力作用于柜门的载荷,限位 装置应无机械破坏或功能失效。
4.7.5锁具
对户外柜的锁具要求如下:
a) 锁具应仅能由被授权的人员开启和闭锁,其性能应符合GB 21556-2008中4.9规定的要求。 使用在有人值守的场所时,锁具的防破坏能力不应低于该标准表18中的B级要求;使用在无 人值守的场所时,锁具的防破坏能力应符合该标准表18中的A级要求;
b) 锁具应开启灵活、闭锁自如,经过长距离的运输和长期贮存后,锁具的开启和闭锁不应受影响; C)锁具应具备防尘、防锈蚀功能,在户外长期使用后钥匙能顺利插拔、开启和闭锁。
4.7.6 通风口
对户外柜的通风口要求如下:
a) 通风口应设有防尘网,防尘网应便于清洁和更换;
b) 防尘网应能防止沙尘、昆虫和啮齿动物的侵入;
C)防尘网应具有耐腐蚀性;
d) 通风口应有防止雨水侵入的措施;
e) 对于有屏蔽要求的户外柜,通风口应采取屏蔽措施。
4.7.7顶盖
对户外柜的顶盖要求如下:
a) 顶盖宜采用斜面设计,以利于雨水的流动,避免顶部积水;
b) 顶盖四周的垂直投影尺寸应大于柜体的四周垂直投影尺寸,但每侧不宜大于50 mm;
C)顶盖应能承受不小于1 kN∕m2的均布荷载。
4.7.8起吊部件
户外柜上应设有便于运输的起吊部件(例如吊环)。起吊过程中,不允许将起吊设备的附件(例如缆 绳、吊钩等)穿过户外柜的内部进行起吊。起吊设备的定位应确保户外柜在移动过程中平稳、平衡。
4.7.9电气安装和布线结构
对户外柜的电气安装和布线结构要求如下:
a) 户外柜应满足电缆/光缆由底部引入的要求,并且为电缆/光缆的固定提供条件及附件;
b) 现场安装和调试完成后,线缆过线孔应便于封堵,以防止灰尘、水、昆虫和啮齿动物侵入;有屏
蔽要求时,过线孔应采取屏蔽措施3
C)户外柜的前面板下部应设置供调试及检测接线用的穿线孔,穿线孔的直径不宜小于40 mm;
d) 户外柜内应为纵向或横向的端子排及行线槽提供安装条件;
e) 户外柜应为保护及控制装置、空气开关、转换开关、按钮开关、压板、打印机等设备的安装提供 固定结构。
4.7.10端子排
对户外柜的端子排安装要求如下:
a) 端子排外侧与户外柜后框架边缘的距离不宜小于200 mm;
b) 端子排上端距户外柜顶部的距离不宜小于200 mm,其下端距该柜底部的距离不宜小于 250 mm;
C)当同一侧需要安装两列端子排时,两列端子排外沿的空间距离不宜小于200 mmβ
4.8照明要求
4.8.1户外柜内应安装照明灯具,其照度应满足安装、运行和维护中的操作要求。
4.8.2照明灯具的工作电压应采用交流220 VO
4.9监控、告警要求
4.9.1温、湿度告警
当柜内的温度或湿度超出规定范围时,户外柜应发出告警信号并传给监控中心。
4.9.2火灾告警(可选)
当柜内发生燃烧和出现烟雾时,户外柜应发出告警信号并传给监控中心。
4.9.3水浸告警(可选)
当柜内发生水浸或水淹时,户外柜应发出告警信号并传给监控中心。
4.10噪声要求
户外柜的噪声排放应符合GB 12348-2008中规定的3类声环境功能区的噪声限值要求,最大噪
声值应小于65 dB(A)o
4.11电磁屏蔽要求(可选)
对于有电磁屏蔽要求的户外机柜,其电磁屏蔽性能不应低于GB/T 18663.3-2007中规定的1级 要求,具体指标见表3。
表3屏蔽性能等级
|
性能等级 |
最小屏蔽效能 | ||
|
频率范围 30 MHZ〜230 MHZ |
频率范围 230 MHZ〜1 000 MHZ |
频率范围 1 000 MHZ〜2 000 MHZ | |
|
1 |
20 dB |
10 dB |
0 |
|
2 |
40 dB |
30 dB |
20 dB |
|
3 |
60 dB |
50 dB |
40 dB |
4.12安装要求
4.12.1采用落地式安装的户外柜,户外柜与基座之间的缝隙应采用防水材料进行封堵。
4.12.2采用抱杆式安装的户外柜,其体积不宜太大,质最不宜超过50 kg,户外柜底部距地面髙度不宜 小于2m。
4.12.3电缆/光缆引入户外柜时,应采取相应的保护措施并采用防水及防火材料进行封堵。
5环境适应性要求
5.1 一般大气环境要求
对户外柜的大气环境要求,应符合IEC 61969-3:2011中表1规定的1级要求。
5.2生物防护要求(可选)
如果对户外柜有生物防护的要求,应符合IEC 61969-3:2011中表2规定的1级要求。
5.3化学活性物质防护要求(可选)
如果对户外柜有化学活性物质的防护要求,应符合IEC 61969-3s2011中表3规定的1级要求。
5.4防盐雾腐蚀(可选)
应用于海洋环境(例如岛屿、海岸)或含盐空气的环境时,户外柜的材料和表面处理应能承受盐雾的 影响。经盐雾腐蚀试验后,户外柜的金属构件应无锈蚀现象,非金属构件不应发生严重变色、开裂、变形 和脱胶等现象,户外柜的机械性能不应下降,连接、固定、密封、锁紧和自锁等功能仍能保持正常。
5.5特殊要求
如果对户外柜有其他的要求,宜参照IEC 61969-3:2011和GB/T 4798.4的规定,由用户与制造厂 协商确定。
6电气要求
6.1元器件、装置、附件及配线要求
对户外柜元器件、装置、附件及配线的要求,应符合DL/T 720-2013中4.4的规定。
6.2温升要求
户外柜各部位允许的温升要求,应符合DL/T 720-2013中4.6的规定。
6.3电气绝缘要求
对户外柜电气间隙和爬电距离以及绝缘电阻、介质强度和冲击电压的要求,应符合DL/T 720-2013中4.8的规定。
6.4配置及整组功能要求
户外柜的配置及整组功能要求应符合相应产品标准的规定。
7机械性能要求
7.1 一般要求
户外机柜及其零部件在正常工作时间内或经过机械试验后,不应出现下列缺陷:
a) 影响形状、配合和功能的零部件的变形或损坏;
b) 安装件、紧固件的弯曲、松动、移位或损坏;
C)零部件的翘曲、戳穿、损伤和永久变形;
d) 门、钗链、盖板等活动部件开关不灵活或闭锁不可靠;
e) 涂层、密封等部位的膨胀、开裂或脱落;
f) 金属件锈蚀或镀层、涂覆层的脱落。
7.2静态机械载荷
户外机柜的静态机械载荷试验应符合GB/T 18663.1—2008中5.2规定的SL5或SL6等级的提吊 或刚度试验要求。
7.3动态机械载荷
户外机柜的动态机械载荷试验应符合IEC 61969-3:2011中表5规定的1级要求。
7.4碰撞
户外机柜承受碰撞的能力应符合GB/T 18663.1-2008中表12规定的K3级要求:
a) 使用玻璃、塑料等材料的观察窗的碰撞能量值为GB/T 20138-2006中的IK03级(0.35J);
b) 其他各部件的碰撞能量值为GB/T 20138-2006中的IK08级(5J)o
7.5防风
在正常使用状态下,户外机柜可承受50 m/s的强风破坏。
7.6地震(可选)
户外机柜应具备一定的抗地震性能,应能通过GB/T 18663.2-2007中试验波为A型或B型合成 波形的地震试验。
8安全要求
8.1机械安全
8.1.1户外柜的机械部分应无锐边或毛刺,以防止在安装、运行和维护过程中对人员造成危害。
8.1.2户外柜的传动、旋转或摆动等运动部件应有限制或防止人员受到伤害的安全防护措施。
8.1.3户外柜应具有足够的稳定性和牢固的连接及安装,同时应考虑运输过程中的安全。
8.2外壳防护
户外柜的外壳防护不应低于GB/T 4208-2008中的IP54级。
8.3抗破坏保护
8.3.1户外柜的外壳应具有抵御未经允许使用工具(例如螺丝刀、钳子、锤子等)进入内部的能力。
8.3.2户外柜应提供牢固的锁具和钗链。固定锁具、钗链及其他零部件的螺钉应是打开柜门后才能安 装和拆卸。
8.3.3户外柜外壳金属材料的厚度不宜小于1.2 mmβ
8.4接地
8.4.1为防止电击对人身安全造成危害,户外柜中所有可能触及的金属部分应实现电气互连的连续性 并可靠接地(保护地或安全地)。
8.4.2保护接地端子或接地点与需要接地的部件之间的连接电阻应小于0.1 Ωβ
8.4.3接地连接处应有防锈蚀、防松脱及刺破绝缘层的措施,并应在导电连续性设计中选择较小的金 属电极电位组合,以避免由于接合面产生电化学腐蚀而降低接地连接的可靠性。
8.4.4户外柜的下部应设置截面积不小于100 mm2的接地母排,其下端与户外柜安装平面的距离不宜 小于100 mmβ接地母排应采用整体铜质材料,与接地母排连接的紧固件可采用钢制件或铜制件。
8.4.5接地线应为黄绿双色绝缘导线或套有黄绿双色套管的导体,接地导体的截面积应符合表4的 规定。
表4接地导体的最小截面积 单位为平方毫米
|
电路上的导线截面积 S |
相应的接地导体的最小截面积 |
|
S<16 |
Sa |
|
16≤S≤35 |
16 |
|
S>35 |
S/2 |
|
,但不宜小于4 mm2. | |
8.4.6户外柜应为内部安装的电子设备提供静电释放防护,宜考虑在柜内设置防静电插孔(推荐的插 孔直径值为3.5 mm)并可靠接地,以利于防静电腕带等设施的接插。防静电插孔附近应粘贴防静电 标识。
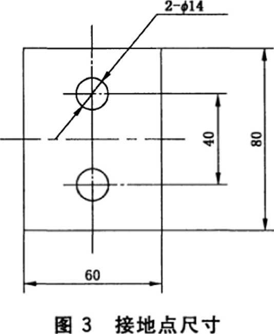
8.4.7户外柜的外壳或底座上应预留接地点,用于与主接地网连接。接地点的尺寸见图3。
8.5可燃性要求
户外柜使用的导线绝缘层、端子、绝缘件等非金属材料的可燃性能应符合GB/T 14598.27的要求。
8.6安全符号
户外柜使用的安全符号应符合GB/T 14598.27中的规定。
9温控设备
9.1基本原则
9.1.1户外柜温控设备的选用需要结合气候条件(温度、湿度、太阳辐射)、柜内电气设备的发热量、电 气设备的工作温度范围以及外部环境条件(例如沙尘、粉尘、盐雾、工业大气)等因素综合考虑。
9.1.2温控设备应具备温度和湿度调节功能并防止凝露发生,可以提供适宜的工作环境以满足电气设 备的正常运行。
9.1.3温控设备的选用应符合经济适用、运行可靠、节能和环保的要求,同时选用温控设备时宜协调户 外柜的通风与防护等级要求的矛盾。温控设备的选择参见附录A。
9.2内部环境要求
9.2.1温度
户外柜应选用合理的温控设备,保证柜内温度控制在+ 5 C〜+ 55 C的范围内。当选用空调进行 制冷时,柜内温度宜控制在+ 35 C左右。
9.2.2相对湿度
户外柜内部的相对湿度宜控制在5%〜80%的范围内,在任何情况下应无凝露。
9.3配置要求
9.3.1工作电源
温控设备的工作电源为交流220 V、50 HZO
9.3.2尺寸要求
温控设备的尺寸宜符合以下要求:
a) 空调或热交换器安装在户外柜上,其在柜内侧的尺寸应尽量小,不应影响柜内电气设备的安 装、运行和维护;
b) 相近规格的空调或热交换器宜做到安装方式相同、外形尺寸基本一致、安装开孔尺寸一致,系 列产品可以互换。
9.3.3 监控要求
空调或热交换器的监控宜满足:
a) 遥测:柜内温度、湿度的远程测最;
b) 遥信:风机、压缩机、加热器等工作状态、正常/故障状态的远程获取;
C)遥调:启动和关机的远程控制及运行参数的远程设定。
9.3.4操作要求
空调或热交换器的显示操作界面应实现:
a) 显示运行参数、报警信息等;
b) 显示柜内回风口温度;
C)参数的手工修改;
d)对于控制的所有操作,应在进行确认操作后才能生效。
9.3.5通信接口
空调或热交换器的通信接口应实现:
a) 支持RS485通信接口;
b) 支持端子型接入DClIO V.DC220 V告警干节点输出;
C)支持端子型4 mA〜20 mA温度、湿度的直流量输出;
d)柜内的高温、低温、高湿和掉电告警。
9.3.6噪声
温控设备的噪声值应符合4.10的要求。
9.3.7可靠性要求
空调或热交换器的寿命应大于80 000 h,MTBF大于30 000 h,40 C时风机应连续工作40 000 h 以上;风扇的寿命大于40 000 ho
9.3.8维护要求
温控设备厂家应提供设备维护的操作说明,运行单位应根据操作说明对温控设备定期进行清理 维护。
9.4电磁兼容要求
9.4.1电磁发射限值
温控设备的电磁发射限值应符合GB/T 14598.26-2015中表1规定的要求。
9.4.2抗扰度
9.4.2.1电快速瞬变抗扰度
温控设备应能抵御5/50 ns、峰值电压为1 kV、重复频率为5 kHz的电快速瞬变振荡波的骚扰而正 常工作。
9.4.2.2浪涌抗扰度
温控设备应能抵御试验电压为0.5 kV/1 kV/2 kV、波形为1.2∕50(8∕20)μs电压(电流)的浪涌骚 扰而正常工作。
9.4.2.3阻尼振荡波抗扰度
温控设备应能抵御1 MHZ及100 kHz阻尼振动波的骚扰而正常工作。
9.4.2.4射频场的传导骚扰抗扰度
温控设备应能抵御0.15 MHZ〜80 MHZJO V的射频场传导骚扰而正常工作。
9.4.2.5静电放电抗扰度(外壳端口)
温控设备应能抵御6 kV(接触放电)或8 kV(空气放电)的骚扰而正常工作。
10试验方法
IoJ试验条件
除非另有规定,试验、测量和恢复应在标准大气条件下进行:
a) 环境温度:+ 15 C〜+ 35 -C;
b) 相对湿度:45%〜75%;
C) 大气压力:86 kPa〜106 kPaβ
10.2外观及一般要求检验
10.2.1以目测方法检验户外柜的外观和表面质量。
10.2.2以目测方法检验户外柜的连接和紧固部位。
10.2.3以目测和手动配合的方法检验户外柜的可运动部件、门和门限位装置。
10.2.4以目测方法检验户外柜内部附件(例如安装支架、端子排、行线槽、接地母排、接地线、防静电插 孔等)的配置应齐全、完整。
10.3尺寸和形位公差检验
10.3.1外形尺寸检验
用卷尺或直尺分别在户外柜前面、后面、两侧面的上、中、下部位依次测量户外柜的外形尺寸。
10.3.2垂直度公差检验
将户外柜垂直放在平台上,用直角尺紧靠柜体前面、后面和两侧面的中部部位,并用塞尺测量直角 尺与被测量面之间的间隙值,根据塞尺塞入的厚度值确定垂直度公差。
10.3.3平面度公差检验
将户外柜放在平台上,用刀口尺紧靠柜体表面,在竖向、横向和对角线的方向上逐次检査,并用塞尺 测量刀口尺与被测量面之间的间隙值,根据塞尺塞入的厚度值确定平面度公差。
10.3.4缝隙一致性检验
用游标卡尺或塞尺测量户外柜各结合处的缝隙。
10.4表面涂(镀)覆层的检验
10.4.1涂覆层的检验
涂覆层的检验方法如下:
a) 涂覆层的外观检査采用目视的方法进行;
b) 涂覆层的色度和色差检査,依据GB/T 9761-2008规定的方法进行,或者采用色度/色差分析 仪测量;
C)涂覆层附着力的检验,依据GB/T 9286-1998规定的方法进行;
d)涂覆层的检验可以选取户外柜中相应的零部件进行,只要在材料和表面构造上相同,可以使用 样件代替整体的户外柜进行检验。
10.4.2金属镀层的检验
金属镀层的检验方法如下:
a) 金属镀层的外观检査采用目视的方法进行;
b) 金属零件的镀层厚度,可采用厚度测试仪进行测量;
C)金属镀层的物理和化学性能检验,按照相应的镀层标准中规定的方法进行;
d)金属镀层的检验可以选取户外柜中相应的零部件或者在材料和生产工艺上相同的样件进行。
10.5环境适应性试验
10.5.1大气环境要求试验
依据IEC 61969-3:2011中5.2规定的方法,对户外柜进行大气环境要求试验。
10.5.2生物防护试验
依据IEC 61969-3:2011中5.3规定的方法,对户外柜进行生物防护试验。
10.5.3化学活性物质防护试验
依据IEC 61969-3:2011中5.4规定的方法,对户外柜进行抗化学活性物质试验。
10.5.4 盐雾试验
依据GB/T 2423.17规定的方法,对户外柜进行盐雾试验。盐雾试验可以选取户外柜中相应的零 部件或尺寸不小于200 mmX200 mm的样件进行,样件应具有可替代性,即其表面处理应与整机或实 际零部件的表面处理一致。
当直接暴露在户外柜外部的零部件或样件进行试验时,连续喷雾时间不少于240 h;当非直接暴露 在户外柜外部的零部件或样件进行试验时,连续喷雾时间不少于96 ho
16
10.6 电气试验
10.6.1元器件、装置、附件及配线的检验
以目测和手动配合的方法,对户外柜的元器件、装置、附件及配线进行检验。
10.6.2温升试验
依据GB/T 7261规定的方法,对户外柜各部位允许的温升进行试验。
10.6.3绝缘性能试验
依据GB/T 14598.27规定的方法,对户外柜的电气间隙和爬电距离、绝缘电阻、介质强度和冲击电 压进行测量或试验。
10.6.4配置及整组功能试验
按照产品要求进行户外柜的配置检查。依据GB/T 7261规定的方法,进行户外柜的整组功能 试验。
10.7噪声试验
依据GB 12348-2008规定的方法,对户外柜的噪声排放进行测费。
10.8电磁屏蔽试验
依据GB/T 18663.3-2007规定的方法,对户外机柜进行电磁屏蔽性能试验。
10.9机械性能试验
10.9.1门载荷试验
对户外柜进行门载荷试验。试验场地的风速不应大于3 m∕so
试验前,检査柜门的启闭是否灵活,门钗链和限位装置的支撑和限位是否正常。将柜门开启至最大 限位位置,在柜门最外侧边缘用钢丝绳垂直向下悬置一个质量为60 kg的重物,保持30 min后卸载。
试验后,试验结果应符合7.1的要求。
10.9.2门限位载荷试验
按照以下方法对户外柜进行门限位装置的载荷试验:
将户外柜固定在测试台上,通过启动限位装置将柜门置于开启状态。沿柜门打开和关闭的方向,在 柜门的外边缘并垂直于柜门表面依次施加(例如用拉力计)力F,试验力F在每个方向至少保持10 s, 整个过程不少于30 s。试验应覆盖每一个可能的限位位置。
试验力F的确定iF = 172×W×H
式中:
F —试验力,单位为牛顿(N) J
W——门的宽度,单位为米(m);
H — 门的高度,单位为米(m)。
10.9.3顶盖载荷试验
在户外柜的顶盖上施加载荷,保持30 min后卸载。在加载期间,检查柜门、孔口等活动部件的启闭
是否灵活。
10.9.4静态机械载荷试验
依据GB/T 18663.1-2008中5.2.1和5.2.2规定的方法,对户外机柜进行提吊和刚度试验。试验 中,被测试的户外机柜通过预留的地脚螺栓安装在测试台上,不施加内部载荷。
10.9.5动态机械载荷试验
依据IEC 61969-3:2011中6.2规定的方法,对户外机柜进行振动和冲击试验。试验中,被测试的户 外机柜通过预留的地脚螺栓安装到振动台或冲击台上,柜内模拟载荷的分布按照GB/T 18663.1-2008 中图8和表7的规定。
10.9.6碰撞试验
依据GB/T 18663.1-2008中5.3.3规定的方法,对户外机柜进行碰撞试验。
10.9.7防风试验
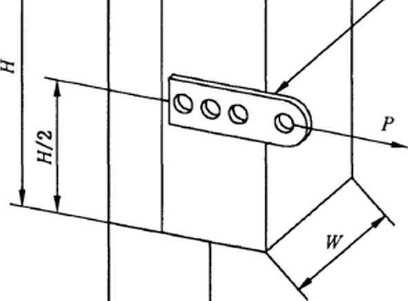
10.9.7.1抱杆式户外机柜的防风试验
将户外机柜按照安装说明书正确安装。试验中,户外机柜不施加内部载荷。试验如图4所示,通过 一个可调支架施加试验力P,试验力P从正、反两个方向上依次施加;试验力P在每个方向上至少保持 5 s,整个过程不少于30 So
可调支架
£
图4抱杆式户外机柜防风试验
试验力P的确定iP = 69Q×W×H
式中:
P—试验力,单位为牛顿(N):
W—机柜宽度,单位为米(m);
H—一机柜高度,单位为米(m)。
注:试験力P的最小值不小于450 N.
10.9.7.2落地式户外机柜的防风试验
将户外机柜按照安装说明书正确安装。试验中,户外机柜不施加内部载荷。试验如图5所示,通过 对户外机柜最大的垂直面施加一个水平方向的试验力P,由此产生一个倾覆力矩M。试验力P从前、 后两个方向上依次施加,力的施加位置距离户外机柜的顶面150 mm;试验力P在每个方向上至少保持
5 s,整个过程不少于30 SO
图5落地式户外机柜防风试验
试验力P的确定:P=M/Y,其中M=I 378XWXH2
式中:
P ——试验力,单位为牛顿(N);
M—倾覆力矩,单位为牛顿米(N・m);
W —机柜宽度,单位为米(m);
H——机柜高度,单位为米(m);
Y ——试验力的力皆,单位为米(m)。
注:力矩M的最小值不小于890 X H N∙ mβ
10.9.7.3合格判定
对户外机柜进行防风试验,结果应符合7.5的规定。
10.9.8地震试验
依据GB/T 18663.2-2007规定的方法,对户外机柜进行地震试验。试验的合格评定符合该标准 中3.2的要求。
10.10安全试验
10.10.1机械安全检验
用目测的方法对户外柜进行机械安全的检验。
10.10.2外壳防护试验
依据GB/T 4208-2008规定的方法,对户外柜进行IP防护试验。
10.10.3锁具防破坏试验
依据GB 21556-2008规定的方法,对户外柜的锁具进行防破坏试验。
10.10.4保护接地及其连续性试验
依据GB/T 14598.27或GB/T 5095.2规定的方法,对户外柜进行保护接地连续性和联结电阻的试验。
10.10.5 可燃性试验
依据GB/T 5169.16-2008和GB/T 8332—2008规定的方法进行可燃性试验。
10.11温控设备的电磁兼容试验
10.11.1电磁发射试验
依据GB/T 14598.26-2015规定的方法,对温控设备进行电磁发射限值试验。
10.11.2抗扰度试验
依据GB/T 14598.26-2015规定的方法,对温控设备进行抗扰度试验。
10.12温控性能试验
10.12.1高温条件下的温控性能试验
对配置温控设备的户外柜进行高温条件下的温控性能试验。试验所用的试验箱应符合 GB/T 2423.24的要求,应能施加温度的变化并能提供模拟太阳辐射的光源。柜内不安装电气设备,用 一个250 W的模拟发热源替代。
试验中,试验箱内的温度应保持在+ 45 ∙C±2 C的范围内,辐照度水平为1 120×(l±10⅝)W∕m2o 在柜内的上、中、下部位分别设置温度传感器测量柜内的空气温度。当柜内的温度达到稳定时开始测 量,柜内温度不应高于+55 -C,柜内温度越限告警正常。
10.12.2低温条件下的温控性能试验
对配置温控设备的户外柜进行低温条件下的温控性能试验。试验所用的试验箱应符合 GB/T 2423.1 的要求。
试验中,试验箱内的温度应保持在一40 ∙C±2 C的范围内。在柜内的上、中、下部位分别设置温度 传感器测量柜内的空气温度。当柜内的温度达到稳定时开始测量,柜内温度不应低于+ 5 C,柜内温度 越限告警正常。
11检验规则
11.1试验分类
户外柜的试验分为型式试验和例行(出厂)试验两种。
11.2型式试验
11.2.1型式试验情形
凡遇下列情况之一时,应进行型式试验:
a)新设计投产或转厂生产的户外柜,在鉴定或定型前;
20
b)正式投产后,如果由于设计、工艺、材料、元器件有较大改变,可能影响产品性能时;
C)正式生产时,定期或累计一定产量后,应周期性进行型式检验,其周期时间由相关标准规定;
d) 国家质量监督机构或受其委托的技术检验部门提出要求时3
e) 合同约定时。
11.2.2型式试验的项目及抽样
型式试验的试品应从出厂检验合格的产品中随机选取一台,试验项目见表5。
11.2.3合格评定
11.2.3.1缺陷的分类
户外柜的主要缺陷是指安全试验项目、需经更换重要零部件后才能消除缺陷的项目,以及在一般情 况下不可能修复的缺陷;其余的缺陷作为一般缺陷。如果一般缺陷数超过检査项目总数量的20%,则 应作为主要缺陷。
11.2.3.2型式试验的合格判定
型式试验的合格判据如下:
a) 试品未发现有主要缺陷的,则判定试品为合格;
b) 对于安全型式试验项目,只要有一个缺陷即判为不合格。
11.3例行(出厂)试验
11.3.1户外柜在出厂前应经制造厂的质量检验部门进行例行试验,全部检验项目合格才能确认合格, 合格后方能岀厂。
11.3.2例行试验的项目见表5。
11.3.3在例行试验中,允许对不合格项进行修复或更换,直至合格。
11.3.4试验合格出厂的户外柜应具有合格证。
表5检验试验一览表
|
序号 |
检验项目_______ |
要求 |
试验方法 |
型式试验 |
例行试验 |
备注 |
|
1 |
外观及一般要求 |
4.4,4.7 |
10.2 |
√ |
√ | |
|
2 |
尺寸和形位公差 |
4.5 |
10.3 |
√ | ||
|
3 |
表面防护 |
4.6 |
10.4 |
√ |
√β | |
|
4 |
环境适应性 |
5 |
10.5 | |||
|
5 |
元器件、装置、附件及配线 |
6.1 |
10.6.1 | |||
|
6 |
温升 |
6.2 |
10.6.2 |
√ |
— | |
|
7 |
电气绝缘 |
6.3 |
10.6.3 |
√ | ||
|
8 |
配置及整组功能 |
6.4 |
10.6.4 | |||
|
9 |
噪声 |
4.10 |
10.7 |
√ |
■ | |
|
10 |
电磁屏蔽* |
4.11 |
10.8 |
— | ||
|
11 |
门载荷______________ |
4.7.4 |
10.9.1 |
■ ■ | ||
|
12 |
限位载荷 |
4.7.4 |
10.9.2 |
√ |
— | |
|
13 |
顶盖载荷 |
4.7.7 |
10.9.3 |
■ |
表5 (续)
|
序号 |
检验项目 |
要求 |
试验方法 |
型式试验 |
例行试验 |
备注 |
|
14 |
提吊和刚度 |
7.2 |
10.9.4 |
— | ||
|
15 |
振动和冲击 |
7.3 |
10.9.5 |
√ |
— | |
|
16 |
碰撞 |
7.4 |
10.9.6 |
√ |
■ ■ | |
|
17 |
防风 |
7.5 |
10.9.7 |
— | ||
|
18 |
地震* |
7.6 |
10.9.8 |
√ | ||
|
19 |
机械安全 |
8.1 |
10.10.1 |
√ | ||
|
20 |
外壳防护 |
8.2 |
10.10.2 |
√ |
— | |
|
21 |
锁具防破坏C |
4.7.5 |
10.10.3 |
√ | ||
|
22 |
保护接地 |
8.4 |
10.10.4 |
√ |
Jd | |
|
23 |
可燃性 |
8.5 |
10.10.5 |
√ |
■■■■ | |
|
24 |
温控设备的电磁兼容・ |
9.4 |
10.11 |
■■ | ||
|
25 |
温控性能 |
9.2 |
10.12 |
√ |
■ | |
|
注1:符号J为需要进行的试验项目. 注2:标有*的为可选项目. | ||||||
|
β对表面防护的例行试验可以只检査外观质最。 b只作介质强度试验、电气间隙和爬电距离测址以及绝缘电阻测试. e锁具防破坏试验可由配套厂商提供第三方的试验报告。 d保护接地的例行试验可以只进行低电流的连续性试验,不进行保护联结阻抗(电阻)的测谶。 β温控设备的试验可由配套厂商提供第三方的试验报告。 | ||||||
12铭牌、标志、包装、运输和贮存
12.1铭牌
12.1.1户外柜应设置产品铭牌,铭牌应置于户外柜易于观察的地方。
12.1.2铭牌的材料宜选择薄铝板、不锈钢板、冷轧钢板或热塑性塑料,特殊需要时可选用黄铜板等其 他材料。
12.1.3铭牌应色泽均匀,不应有泛色和掉漆现象。表面无擦伤、划痕,无明显修整痕迹和其他影响美 观的缺陷。
12.1.4铭牌的文字、符号的大小和线条粗细应整齐醒目、美观、耐久、排列均匀,不应有断缺和模糊不 清,其耐久性应符合GB/T 26443的要求。
12.1.5采用粘贴的铭牌不应出现皱纹、粘贴不平整和粘贴剂渗出等现象。
12.1.6铭牌的内容应包括:
a) 户外柜的型号和名称;
b) 制造厂的厂名或商标;
C)制造年、月和出厂编号;
d)外形尺寸;
e)电源参数。
12.2标志
12.2.1安全标志应符合GB/T 14598.27的规定。
12.2.2户外柜应在保护接地端子或接地点上设置明显的接地标志。
12.2.3防静电标志应符合GB/T 31841的规定。
12.2.4包装和储运标志应符合GB/T 191的规定。
12.3包装
12.3.1户外柜的包装环境应保持通风、清洁、干燥、无有害介质,包装环境的相对湿度不大于75%。
12.3.2户外柜的包装材料和包装容器应保持干燥、整洁,与户外柜直接接触的包装材料应无腐蚀作用 及其他有害影响。
12.3.3户外柜在包装容器内不应产生松动、碰撞或转动。户外柜的包装应保证:不造成划伤和磨损、 不产生永久性变形、不影响使用功能。
12.3.4户外柜的包装箱应符合GB/T 13384的规定。
12.3.5户外柜应与备品配件、装箱单及配套文件一并装箱。随同出厂的附件及文件应装入防潮文件 袋中,再放入包装箱内。
12.4运输
户外柜在运输过程中应小心轻放,并按包装箱标记规定的方向放置。应避免强烈振动、冲击和碰 撞,应保证在正常运输条件下户外柜不受到任何损坏。
12.5贮存
户外柜整机和零部件应贮存在环境温度一25 C〜+ 55 C,相对湿度不大于85%,空气流通,不存 在腐蚀、火灾、爆炸等危险的场所。
13供货的成套性
随同户外柜一起提供的资料应包括:
a) 随机文件(例如说明书、装箱单、备品备件清单等);
b) 出厂合格证书;
C)按照备品备件清单或合同规定提供的备品、备件、安装附件、专用工具等;
d) 必要时,提供产品出厂调试报告;
e) 必要时,提供维修、调试所必需的仪表、电气元件的说明书。
14质■保证
除另有规定外,在用户遵守本标准及产品说明书所规定的运输、贮存、安装和使用要求的情况下,产 品自出厂之日起两年内或安装运行之日起一年内(按先到期),如发生非人为破坏,制造商应负责免费维 修或更换。
附录A
(资料性附录)
温控方式的选择
A.1选择原则
温控方式的选择宜遵循9.1的原则,在热计算时还需重点关注太阳辐射对户外柜的影响。
A.2空调型的温控方式
空调型的温控方式适用于要求户外柜内部温度低于外部环境温度的场所,或者气温的高温极值高 于40 C的地区(例如干热、亚湿热、湿热的气候类型)。
A.3热交换器型的温控方式
热交换器型的温控方式适用于气温的髙温极值不高于40 C的地区(例如寒冷、寒温、暖温的气候类 型),或者周围环境的沙尘、粉尘较多以及对户外柜的密闭性有特殊要求的场所。
A.4风扇型的温控方式
风扇型的温控方式适用于气温的髙温极值不高于40 'C的地区,同时周围环境比较清洁的场所。
A.5自然通风的方式
户外柜用于寒冷、寒温气候类型的地区,同时周围环境比较清洁时,还可以采用自然通風的方式。
A.6空调/热交换一体机的温控方式
根据需要,户外柜还可以选用空调/热交换一体机的温控方式。空调/热交换一体机集成了压缩机 制冷和热交换双系统,共同运行、互为冗余,可以根据外部环境温度的变化自动进行运行模式的切换,有 效地实现节能环保。
A.7加热器的配置
在低温环境应用时,应为户外柜配置加热器。加热器可以在柜内单独安装,也可以集成在空调或热 交换器的内部。
参考文献
[1] GB/T 7267—2015
[2] GB/T 14278—1993
[3] GB/T 20625—2006
[4] GB/T 25294—2010
电力系统二次回路保护及自动化机柜(屏)基本尺寸系列
电子设备热设计术语
特殊环境条件术语
电力综合控制机柜通用技术要求
[5] GB 50260—2013电力设施抗震设计规范
[6] GB/T 50479-2011电力系统继电保护及自动化设备柜(屏)工程技术规范
[7] GJB 2093—1994
[8] GJB 6109—2007
[9] DL/T 375—2010
军用方舱通用试验方法
军用方舱通用规范
户外配电箱通用技术条件
[10]
IEC 60950-22:2005 InfOrmatiOn technoIOgy equipment—Safety一Part 22; EqUiPment to be installed OUtdOOrS
[11] IEC 61969-2∙2011 MeChaniCal StrUCtUreS for electronic equipment—OUtd∞r enclosures— Part 2!Coordination ClimenSiOnS
[12] GR-63-CORE—2006 NEBSTM RCqUirementS: PhySiCal PrOtCCtion
[13] GR-487-CORE一2009 GeneriC ReqUirementS for EleCtrOniC EqUiPnlent CabinetS
[14] GR-2834-CORE—1995 GeneriC ReqUirementS for BaSiC EleCtriCaL MeChaniCai & Environmental Criteria for OUtSide PIant EqUIPment
ZLOZlgZL 寸coH∖s
中华人民共和国
国家标准
电力系统继电保护及安全自动装置
户外柜通用技术条件
GB/T 34125—2017
中国标准出版社出版发行 北京市朝阳区和平里西街甲2号(100029) 北京市西城区三里河北街16号(100045)
总编室:(010)68533533 发行中心 S(OIO)51780238 读者服务部:(010)68523946
中国标准出版社秦皇岛印刷厂印刷 各地新华书店经销
开本880X1230 1/16 印张2 字数52千字 2017年8月第一版2017年8月第一次印刷
*
书号:155066 • 1-56745 定价 30.00 元